لكى يمكننا فهم لوحه تحكم المصعد ينبغى معرفه مكونات المصعد وكيف يتم الربط بينها لكى يعمل المصعد وسنبدأ بعرض اهم الوظائف الكهربية فى المصاعد بشكل مبسط
عندما تريد استخدام مصعد للصعود الى طابق ما يتوجب عليك الدخول للعربه والضغط على زر مخصوص بنفس الطابق المراد الوصول اليه
لذا يكون لكل طابق زر مخصوص لتسجيل الطلب عند الضغط عليه فنكون بصدد وظيفه مهمة جدا وهى وظيفه الطلبات الداخليه ونفس الوضع الطلبات الخارجيه من على ابواب الادوار
ينبغى ان تكون جميع المكونات الخاصه بالمصعد آمنه قبل التحرك وان يكون الراكب فى العربه او الشخص الموجود خارجها فى الادوار فى امان تام ايضا لذا نكون بصدد وظيفه وسائل التأمين
ينبغى ان يتوافر وسائل تنبيه صوتيه او ضوئية تشعر المستخدم ان المصعد يتحرك فنكون بصدد وظيفة المبينات الصوتيه والضوئية
اثناء الحركه ينبغى ان يمتلك المصعد قدرة على عد ارقام الطوابق اثناء الحركه ومعرفه مكان تواجد العربه فنكون بصدد وظيفه السليكتور او ما يعنى نظام انتخاب الطوابق حتى يتوجه للطابق المراد دون ارتباك
كما ينبغى عدم تجاوز مستوى الطابقين الارضى والاخير فنكون بصدد نهايات المشوار والاتجاه
عند الوصول للدور المخصوص ينبغى توافر وسيله تعمل على ضبط وقوف مستوى ارضية العربه مع مستوى ارضية الباب الخارجى فنكون بصدد وظيفه التوقف على الدور
ينبغى ان يمتلك المصعد نظام طوارئ ونظام للصيانه الدوريه
ويدير كل هذه الوظائف لوحة التحكم الرئيسية التى تقوم بالتأمين والربط بين مكونات المصعد والمحرك
وسنتناول هذه الوظائف ببعض من التوضيح فيما يلى
تنزيل الموضوع كاملا فى فى شكل كتاب pdf
الطلبات
وظيفه الطلبات هى بمثابه اشعار للنظام ان هناك شخص يريد تحريك المصعد الى طابق ما
يوجد لكل طابق زر مخصوص به داخل العربه وزر على الباب الخارجى لنفس الطابق حتى يسهل على النظام تحريك العربه لنفس الطابق
والفكرة لا تكمن فى الزر نفسه فلو تم استبدال الزر ٧ مثلا مكان زر ٣ لا يسجل طلب ٧ ولكن يسجل طلب ٣ وانما تكمن الفكره فى ان لكل طابق مخرج وحيد مميز فى لوحة التحكم يربط به طرف السلك والطرف الاخر يربط فى زر نفس الطابق
قديما فى نظام التحكم المنطقى بالريليهات كان زر الطابق مسئول عن شد ريليه وحيد خاص بطابق معين وعند شد الريليه يتم تمرير تيار التحكم فى باقى مكونات الدائرة تمهيدا لشد الملامسات التى توصل تيار القدرة للمحرك يتحرك المحرك حتى يصل الى الطابق المقصود فيتم فصل اشارة التحرك السريع بواسطة حساس يتم تركيبه فى نفس الطابق فيتحرك المصعد ببطء حتى يقف على مستوى الطابق بواسطه حساس التوقف على الطوابق
اما الان وباستخدام التحكم المنطقى المبرمج تم الاستغناء عن الريليه والحساس الخاص بكل دور واصبح كارت التشغيل يتحكم فى تمرير الاشارة وفصلها والاحساس بالمكان وخلافه لذا يلاحظ ان فرده السلك الخاصه بطلب طابق ما تخرج مباشرة من الكارت الى نفس الزر سواء داخل العربه او خارجها
ان كل زر عند الضغط عليه فمن المفروض انه يعمل على توصيل نقاطه بالتالى توصيل الاشارة السالبة من مشترك الطلبات الى فرده السلك المتصله بمخرج طلب طابق ما فيبدأ النظام فى تحليل مدى قابليه التحرك الى هذا الطابق
مشترك الطلبات ربما يكون مخرج من مخارج الكارت وربما يكون مباشرة من سالب القنطرة فى بعض الكروت كما انه قد يكون هناك مخرج لمشترك الطلبات الخارجيه وآخر لمشترك الطلبات الداخلية حتى يتمكن النظام من تحديد مكان الطلب هل هو من العربه او من خارجها فى بعض اللوحات يتم تركيب قاطع فردى على فرده مشترك الطلبات الخارجيه ليلغى استعمال الطلبات الخارجيه اثناء اجراء عمليات مراقبه بواسطه الفنيين منعا لتدخل المستخدمين وقت الاجراء
يتم مد سلك مشترك الطلبات الخارجيه من المخرج الخاص به فى اللوحة ويتم توصيله فى كل الازرار بنظام التوازى فى نقطه خاصه فى الزر حيث ان زر الطلب نفسه عبارة عن جزئين جزء خاص بتلامس نقطه عند الضغط عليه وجزء خاص بتوصيل انارة للزر اثناء الضغط عليه فيتم توصيل مشترك الطلبات وفرده السلك الخاصة بالطلب على النقطة التى تتصل عند الضغط على الزر ويمكن معرفتها باستخدام الافوميتر بالتجريس عند الضغط على الزر اما نقطة انارة الزر فيتصل بها مشترك الاشارات وهو موجب ولكن اشارة السالب الخاصه بانارة الزر ستصل عند الضغط على الزر حيث تنتقل الاشارة السالبة من مشترك الطلبات الى فرده الطلب والتى بدورها تصل الى انارة الزر عن طريق موحد دايود حتى لا يحدث راجع لاشارة السالب فيضئ الزر عند الضغط عليه
الاعطال المحتملة للطلبات
- -تعطل المخرج من اللوحة او من كارت التشغيل
- -عدم توصيل سلك الطلب او سلك مشترك الطلبات
- -تعطل الزر نفسه
ملحوظه عند فتح دوائر الامان خاصه دائرة التوقف الاجبارى او استمرار فتح نقاط تلامس تساوى حواف الابواب مع الاطار يلغى تسجيل الطلب ولا يستجيب اى طلب الا بعد تأمين سلامة دوائر الامان لكن يستجيب الطلب فى حال فتح اداة اغلاق الباب فقط تمهيدا لاغلاقها بواسطه الكاسحة قبل التحرك
من الممكن الغاء تسجيل الطلبات من طابق معين عن طريق فك السلك الخاص به من المخرج الخاص به فى اللوحة
والسؤال هنا كيف لازرار الطلبات والتى تعمل بنظام اللمس او الضغطة الواحدة والتى تكون من النوع المفتوح نقاطه فى الوضع الطبيعى قادرة على استمرار توصيل الاشارة بمجرد ضغطه واحده ولا نكون مضطرين لاستمرار الضغط عليها كما فى فى ازرار استمرار الضغط المستخدمه فى تحريك المصعد بنظام الصيانه
العلاقه بين زر الطلب والريليه
منذ بدايات عملى فى مجال المصاعد لفت انتباهى ان تحرك السريع يتم بمجرد ضغطه واحده لزر طلب فى حين ان التحرك بنظام الصيانة لا يتم الا باستمرار الضغط على اى من ضاغطى الصعود او النزول فسألت نفسى لماذا واخذت ابحث فى الانترنت حيث لا معلومات فنيه عن المصاعد اصلا حتى هدانى الله الى منتديات التحكم الالى حيث بدت لى فكرة ان اتعامل مع محرك المصعد كأى محرك كهربى يجرى الشرح عليه فى المنتديات بغض النظر على خصوصيه نظام المصعد فالحق يقال اننى استفدت كثيرا جدا بمجرد معرفتى ببعض المبادئ للتحكم الالى
وكانت اجابة تساؤلى ان هناك دائرة تسمى بتثبيت الحاله او الامساك hold
حيث يمكنك تشغيل المحرك بمجرد ضغطه واحده للضاغط عن طريق توصيل جهد تغذية الريليه او الكونتاكتور من خلال نقطه مفتوحه لنفس الريليه او الكونتاكتور مما يؤدى الى استمرار وصول التغذيه حتى بعد رفع يدك من على الضاغط
كانت هذه الدائرة مساعدة على اشباع الفضول لدى حول معرفه سبب استمرار تسجيل الطلب والتحرك بمجرد ضغطه واحده وبعد فتره طويلة من البحث فى اسرار المصعد تعرفت على دوائر التحكم فى المصعد بنظام الريليهات فقط بدون كارت حتى تبين لى انها تعتمد على دائرة الامساك السابقه فى تثبيت الطلب حيث ان لكل طلب ريليه خاص بالاضافه للزر وحين اتيح لى العمل على احدى هذه اللوحات اختبرت هذه الدائرة بالضغط على ريشه الريليه المسئول عن اى طلب فوجدت استمرار شد الريليه حتى بعد رفع يدى وتعتبر دائرة التحكم المنطقى بالريليهات اساسا نظريا لعمل كروت التحكم المنطقى المبرمج مع الاختلاف فى المكونات لذا يلاحظ استمرار تسجيل الطلب فيها ايضا بمجرد ضغطه واحده للزر ولقد تمت ملاحظة احد الكروت لا يثبت تسجيل الطلب الا بتغذيه الكارت بتيار مستمر نقى عن طريق تركيب مكثف ذو سعه كبيره على خرج القنطرة لمنع مرور التيار المتردد الصغير المقترن بخرج قنطرة التوحيد
ومع ان نظام زر الطلب مع الريليه نظام قديم الا انه يفتح بابا واسعا للتحكم فى دوائر اخرى سواء خاصه بالمصعد او دوائر خارجيه يتم ربطها بالمصعد بمجرد ضغط زر طلب مخصوص
وسنعرض الان فيديو يشرح دائرة الامساك للريليه وعلاقتها بنظام التحكم المنطقى باستخدام الريليهات
دوائر الامان
تكمن اهميه وظيفة دوائر الامان فى تأمين مستخدمى المصعد من المخاطر بالاضافه الى حماية مكونات المصعد من التشوه او التلف
وتكون عبارة عن نقاط تأمين متعدده تنتشر على نطاق واسع ابتداء من اجهزة الحماية بلوحة التحكم نفسها وكذا غرفة المحرك والبئر والعربة والابواب الخارجية والداخلية
ويتم استخدام نقاط توصيل مغلقه فى الوضع الطبيعىnc لكل هذه النقاط ويمر تيار التحكم فى هذه الدائرة التى يتم توصيل نقاطها جميعا بنظام التوالى فيمر تيار التحكم الذى يكون غالبا تيار مستمر من مصدر البداية الى نقطة ومنها الى اخرى حتى نهاية الخط ويمكن تقسيم هذا الخط الى ثلاثة اجزاء رئيسيه البداية نقاط الايقاف الاجبارى التى تنتشر فى كامل المصعد والوسط نقاط تأمين تساوى حواف الابواب مع اطاراتها نقطة لكل باب والنهاية نقاط اغلاق الابواب بواسطه ادوات ميكانيكيه نقطة لكل باب بحيث انه عند فتح اى نقطة على هذا الخط لا يمر تيار التحكم الى النقاط التاليه لها مطلقا
ويتم الآداء على ثلاثة محاور مهمة
اشعار النظام بحالة كل جزء من هذا الخط على حده
قدرة النظام على تمرير تيار التحكم فى جزء معين من الدائرة لاداء مهمة ما
والاهم من المحورين السابقين المحور الذى يتعلق بمنع شد ملامسات توصيل تيار القدرة للمحرك الا بعد تأمين كامل الخط او بمعنى آخر عدم صدور اى تحرك من المحرك الا بعد سلامة دوائر الامان
يتم توصيل تيار التحكم من المصدر الى نقاط الايقاف الاجبارى توالى والنهاية لهذه النقاط يتم توصيلها بمخرج الايقاف الاجبارى بلوحة التحكم ويبدأ تيار نقاط تأمين تساوى الحواف (الفيش او الشوك ) من مخرج الايقاف السابق الى نقطة باب ثم اخرى توالى حتى آخر نقطة حتى تصل الى مخرج مخصوص باللوحة ويبدأ تيار نقاط الاغلاق الميكانيكى (كوالين) للابواب من مخرج الشوك السابق الى نقطة كالون ثم اخرى توالى حتى تصل من آخر نقطة الى مخرج خاص فى اللوحة لذا يكون النظام قادرا على تحليل مكان الخلل فى اى محطة رئيسية استوب او شوكة او كالون
عند فتح اى نقطة ايقاف اجبارى (استوب) لا يسرى تيار البدء نهائيا فى اى جزء من دائرة التحكم فلن تستطيع تسجيل طلب او تحريك بنظام الصيانة ابدا وعند اغلاق كل نقاط الايقاف الاجبارى يبدأ تمرير تيار البدء بتسجيل الطلب
عند سلامة نقاط الايقاف وفتح اى شوكة باب لمده طويلة لن يسرى تيار البدء ولكن عند فتح شوكة لمده بسيطة سيمر تيار التحكم الى دائرة تحريك كاسحة (كامة) اغلاق الكالون وعند اغلاق كامل الكوالين يمر تيار التحكم الى شد ملامسات القدرة (الكونتاكتورات) التى توصل تيار القدرة للمحرك وفى حالة فتح كالون واحد لن يشد اى ملامس لذا يسمى الكالون ببادئ الحركة وبذلك يكون النظام قادرا على تمرير التيار فى جزء معين من الدوائر وكذا منع تحريك المحرك فى حالة وجود خلل
تأتى لوحات التحكم المبرمج بنفس المحاور الثلاث ولكننا نفضل ان يتم تركيب ريليه خارجى لكل مرحلة للاسباب التاليه
تعمل الريليهات الخارجية المستخدمة فى دوائر الامان بجهد تشغيل مناسب عند تمريرة فى الاسلاك الطويلة لا يتم تقليل فرق الجهد كثيرا مما يعطى كفائة اعلى مقارنة بالاعتماد على مخارج الكروت مباشرة
كما انه باستخدام الريليهات يمكن توسيع التحكم فى النظام عن طريق اتاحة دوائر اضافيه باستخدام نقاط الريليهات حيث يمكن اضافه دوائر لمبات بيان للمستخدمين تعبر عن حالة كل جزء من خط دوائر الامان مثل خارج الخدمة على ريليه الاستوب واشارة التحميل عند فتح حافة باب او اشارة خاصه بعدم اغلاق كالون كما يمكن عمل اشارات صوتية ايضا كما يمكن اضافه دوائر تحكم اخرى كدائرة تثبيت حالة حساس الحمل الزائد على ارضية العربة او الحبال على ريليه الشوكه لتثبيت القراءة بمجرد تساوى حافة الباب بعد فتحه
والاهم اننا نستخدم هذه الريليهات لتأمين عدم وصول تيار شد ملامسات القدرة الا بعد اغلاق الثلاثة ريليهات حتى لا يكون الاعتماد على على نقاط كارت التشغيل فقط ربما تكون هذه الكروت عرضه لالتصاق الريليهات الصغيرة المسئولة عن شد الملامسات او شدها نتيجة خلل برمجى حتى مع فتح اى دائرة امان بشكل تلقائى لانه تم رصد ومشاهده معظم حوادث المصاعد تنتج عن تحرك المصعد بدون اغلاق الباب مما يجعلنا اكثر ارتياحا لوجود ريليهات اضافيه للتأكد من عدم تمرير تيار شد الملامسات الا بعد التأمين الكامل ويتم توصيل تيار شد الملامسات بدايه من نقطة مفتوحة على ريليه الاستوب ومنها الى نقطة مفتوحة على ريليه الشوكة ومنها الى نقطة مفتوحة على ريليه الكالون بنظام التوالى ومنها الى نقطة خاصة فى الكارت المبرمج يتم التحكم فى تمرير التيار منها الى اى من ملامسأت اتجاه الحركة او السرعات

نقاط الايقاف الاجبارى
ذكرنا ان نقاط الاستوبات تتوزع على كامل نطاق مكونات المصعد ويكون الهدف العام منها الحماية للمستخدمين والمكونات فى نفس الوقت الا ان لكل نقطه غرض مخصوص بها سنحاول معرفه هذه النقاط وفائده كل نقطه
ننوه على انه فى انظمة التحكم الالى قد نلاحظ ان نقاط الاستوبات يتم توصيلها مباشرة على طرف تغذيه ملامسات القدرة حتى يتم فصل تيار شد الملامسات بشكل مباشر الا اننا فى مجال المصاعد لم نعتاد على هذه الطريقه ومن ناحية اخرى قد نلاحظ فى مجال المصاعد ان بعض النقاط التى سيتم توضحيها لا تستخدم احيانا فى وظيفة الاستوبات ولكن يمكن ملاحظة ان مصمم اللوحة استخدمها فى مهمه اخرى وهذه النقاط هى
- -نقطة تأمين عدم انعكاس الفازات وهى عبارة عن حساس قادر على تحديد تواجد كل فازة على حده وهل انعكس ترتيبهم ام لا وملحق به متحكم ريليه نقطه مشترك واحد ونقطه مفتوحة ونقطة مغلقه فائدته حمايه المستخدمين والعربه من عكس اتجاه الحركه بشكل غير مرغوب فيه حيث انه وعند وجود العربه على مستوى الطابق العلوى فمن المفترض ان اتجاه الحركه التالى يكون نزولا فذا انعكس ترتيب الفازات ستصعد وترتطم بسقف البئر والعكس صحيح بالنسبه لوقوفها على مستوى الطابق الارضى ومع اننا عهدنا على استخدام هذا الحساس كأستوب الا انه فى بعض اللوحات ربما يستخدم فى التحكم فى وصول تغذيه شد الملامسات بشكل مباشر او توصيله على كارت التشغيل او توصيله فى دائرة اعاده تصحيح الفازات بشكل تلقائى او توصيل تغذيه كارت التشغيل او التحكم فى تشغيل وفصل اى دائرة
- -نقطة حماية المحرك واللوحة من ارتفاع اوانخفاض فرق الجهد والشكل التجارى عبارة عن حساس فازات يتوافر معه خاصية الاحساس بارتفاع وانخفاض الفولت ويمكن ضبطه على قيم معينه والوضع الصحيح يكون فى حدود ١٠ % ارتفاع او نقص فى الجهدو يسمى حساس فازات رباعى الوظيفه حيث انه يشعر بسقوط او انعكاس الفازات بالاضافه الى ارتفاع او انخفاض الفولت
- -نقطة تأمين عدم ارتفاع او انخفاض شده التيار حفاظا على المكونات من انهيار ها
- -نقطة حماية المحرك من الحمل الكهربى الزائد وتسمى بالاوفرلود الحرارى للاحساس بشده التيار المسحوب بواسطة المحرك اثناء تشغيله ويمكن ضبط القيمة الخاصه بالمحرك حتى لا تنهار الملفات الداخليه عند سحب تيار زائد
- -نقطة حماية عزل ملفات المحرك من الحرارة الزائده وتكون بداخل المحرك مع روزيته التوصيل ويكون جهد توصيلها لا يزيد عن ٢.٥ فولت لذا لابد ان يكون لها دائرة خاصه لتتناسب مع هذا الجهد وتجدر الاشارة ان المحرك به حساس حرارى آخر للاحساس بحرارة جسم المحرك ولكن لا يصلح توصيله كأستوب لانه من الطبيعى ان يسخن جسم المحرك لدرجة ما فإذا تم توصيله كأستوب سيفصل المصعد كثيرا وينتظر حتى يبرد ولكن الاصح هو توصيله على تشغيل مروحة المحرك نفسه للتبريد
- -نقطه منظم السرعه فى غرفه المحرك حيث يتم الفصل عند زياده السرعه بشكل غير مرغوب فيه وكذلك نقطة على زراع البراشوت للفصل عند تعشيق البراشوت
- -نقطة على قاعده تثبيت المحرك نفسه للفصل عند تواجد فنى بمقربه من المحرك خصوصا عند تعرضه لخطر ما فيمكن الفصل بسرعه بدلا من البحث عن اللوحة
- -نقطة يتم تركيبها اعلى اللوحة نفسها او مع علبه صيانه متحركه فى غرفه المحرك
- -نقطة نهايتى المشوار العلوية والسفليه للفصل عند تخطى مستوى وقوف العربه عن مستوى ارضية الطابقين الاخير و الارضى فقط فى حدود ١٠ سم
- -زر ايقاف داخل العربة
- -زر ايقاف اعلى العربة لاعمال الصيانه
- -نقاط تلامس اسفل عتب الامان فى حال عدم تركيب باب داخلى مع ظرورة تركيب حساس ضوئى واحد او ستارة ضوئية كاملة لتأمين عدم اقتراب شخص من مدخل العربه اثناء التحرك وكن يتم توصيلها كشوكه باب لعدم سقوط تسجيل الطلب عند عبور المدخل اثناء الوقوف على مستوى طابق ما
- -نقطة حساس الحمل الزائد على ارضية العربه او على حبال الجر
- -نقطة فصل فى اسفل البئر لاعمال الصيانة لحماية من نزول العربة او الثقل اثناء تواجد الفنيين بأسفل البئر
وتكون طريقة التوصيل هى طريقة التوالى بحيث يتم الفصل عند الضغط على اى نقطة فى اى وقت وتكون النقاط من النوع المغلق فى الوضع الطبيعى
*الاشارات الصوتيه والضوئيه
عند الضغط على زر طلب ما فإنه يتم انارة الزر وتستمر انارة الزر كإشارة الى ان الطلب يتم الاستجابه اليه وتتم انارة زر الطلب بواسطه ثنائى ضوئى (ليد) يوجد فى جسم الزر عن طريق تغذيته بطرف موجب مباشره من القنطرة وعند الضغط على الزر يتم توصيل الطرف السالب اللازم لانارة الزر من طرف مشترك الطلبات حيث سيتلامس مع طرف فردة الطلب والتى بدورها ستنقل الاشارة السالبه الى سالب الليد عن طريق وصله سلك بينهما واذا لم تتم الاستجابه للطلب لن تستمر اضائه الزر كما سيطفئ نور الزر بمجرد الوصول الى نفس الطابق المخصص له هذا الزر
عندما يبدأ المصعد الحركه يعمل جهاز على اصدار نغمه صوتيه كتنبيه للمستخدمين انه تم فعلا تحرك المصعد قد تكون هذه النغمه دعاء او موسيقى ونسمى هذا الجهاز جونج دعاء او جونج موسيقى ويعمل غالبا بجهد 12 فولت ويتم ربط تشغيل الجهاز بتشغيل السرعه العاليه فى حاله نظام السرعتين او بالتردد الخاص بالسرعه العاليه فى حاله مغير السرعات عن طريق النقاط المفتوحه طبيعيا فى ملامس القدرة (كونتاكتور السريع) او مرحل (ريليه) السرعه العاليه لنظام مغير السرعات او الهيدروليك بحيث يتم توصيل الطرف الموجب للجونج مباشرة من خرج القنطرة (البريدج) 12 فولت والطرف السالب من خرج نفس القنطره الى نقطه مفتوحه لكونتاكتور او ريليه السريع ومنها الى سالب الجونج
كما يوجد جهاز اخر يصدر نغمه عندما يقترب المصعد من الوقوف على مستوى اى طابق ونسميه جونج وقوف ويتم توصيله كطريقه جونج الدعاء الا ان اشارة السالب لجونج الوقوف تأتى من نقطه مفتوحه من كونتاكتور او ريليه البطئ
كما ينبغى توفر اشارة ضوئيه لتدل على ان المصعد يتحرك صعودا او هبوطا ونسميها الاسهم ويتم توصيلها بطرف الموجب من البريدج والطرف السالب من نقطه مفتوحه لكونتاكتورى الصعود والهبوط او من مخرج خاص بالاسهم فى كارت التشغيل
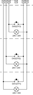
كما يتوافر اشاره ضوئيه اخرى عباره عن رقم الطابق الذى توجد به العربه يسمى مبين وتوجد منه انواع عديده الا ان القاسم المشترك بين معظمها انها عبارة عن ثنائيات ضوئيه (ليدات) يتم انارة بعض منها واطفاء البعض الاخر لتعطى رقم معين بنفس طريقه كتابه رقم على شاشه الاله الحاسبه او الساعه الرقميه واشهر هذه المبينات هو مبين السبع شرطات ويشتهر بالسفن سجمنت حيث يتم توصيل الموجب مباشرة من البريدج ولكل شرطه طرف سالب خاص بها يتم توصيلهم على مخارج خاصه بكارت التشغيل ويتحكم الكارت فى اضائه الشرطات ليعطى رقم ما ويتم تغيير الرقم بتغيير الطابق الا ان هذا النوع من المبين يرتبط اكثرا بالكروت ولكن قديما فى نظام لوحه الريليهات كان الاساس فى المبين الرقمى ان يكون من النوع فرده لكل طابق والمشكور بديكودر حيث ان هناك منفذ فى المبين نفسه مسئول عن اضائه رقم معين فنلاحظ وجود عدد منافذ يساوى عدد الادوار النى يعمل فيها المصعد ويمكن توصيل هذا النوع على نظام الكروت ايضا ولكن بعد التعديل على البرنامج وجدير بالذكر انه نفس المبين السفن سجمنت الا انه تم التعديل عليه بتوصيل الشرطات الخاصه بكل رقم ببعضها من داخل المبين فمثلا عند اظهار الرقم واحد سنتستخدم منفذ خاص برقم واحد ولكن المنفذ الواحد يضئ شرطتين بعكس المبين السفن سنستخدم منفذين منفذ لكل شرطه كى يضاء الرقم واحد
يتميز المبين الديكودر بتخفيض عدد الاسلاك فى حاله الوقفات الاقل من سبعه كما يمكن استخدام طريقه توصيل المبين الديكودر فى تشغيل نغمه صوتيه خاصه طابق
كما توجد انواع اخرى من المبينات وتختلف فقط فى طريقه التوصيل لكى تضاء الليدات ومنها المبين السريال او البينارى او الرسومى
وظيفه تحديد موضع العربه
هى خصوصيه يتميز بها نظام التحكم فى المصعد عن اى نظام تحكم الى اخر وقد تناولناها فى اكثر من موضوع سابق حيث تناولنا مراحل تطورها والاساس النظرى لها فى هذه الارتباطات
- كيف تتشابه حساسات المصاعد مع الخلايا الحسية للإنسان وكيف تطورت صناعتها
- كيف تطورت تقنيات عد ارقام الطوابق فى المصاعد
والسائد حاليا استخدام حساس كمغناطيس مثلا يتم تركيبه على العربه ويوضع امامه فى كل طابق شرائح مغناطيسيه حيث عندما تتحرك العربه يمر المغناطيس على الشرائح وكلما مر على شريحتين يتم ترجمه هذا الى رقم طابق جديد فيما يعرف بعد النبضات وقد تناولنا الحساس المغناطيس فى موضوع سابق ايضا
تأتى اهميه هذه الطريقه فى تحديد موضع العربه بدقه بين الطابقين الارضى والاخير وهنا تأتى الحاساسات الخاصه بمعرفه وجود العربه فى الدور الارضى والاخير فقط حيث يوجد حساسين نسميهما نهايات الاتجاه احداهما للطابق الارضى والاخر للطابق الاخير وظيفه الاول التحقق من وجود العربه فى الطابق الارضى وبذلك تكون الحركه التاليه عند تشغيل المصعد تكون صعودا فقط كما يتم الانتقال من السرعه العاليه اثناء النزول الى الطابق الارضى الى السرعه البطيئه بمجرد فتح نقاط هذا الحساس كما ان المصعد يفصل عند هذه النقطه اذا كان يعمل فى وضع الصيانه كتأمين اضافى والعكس صحيح بالنسبه للحساس الثانى الخاص بنهايه الاتجاه العلويه ويتم وضع حساسات نهايات الاتجاه قبل مستوى الوقوف على الطابق بمتر تقريبا وهى مسافه كافيه لتهدئه السرعه او التباطؤ
بعد ذلك ياتى حساس الوقوف على الدور لفصل حركه المصعد عند الوصول للطابق المقصود بحيث تكون وقفه العربه مناسبه لمستوى الطابق بمعنى ان تكون ارضيه العربه مساويه لمستوى عتبه الباب الخارجى مع نسبه سماح اكبر من او اقل من 1سم او حسب الكود الخاص بالبلد
ويستخدم غالبا حساس مغناطيس ولكن توضع الشريحه امام المغناطيس فى مكان معين عندما تقابل الشريحه المغناطيس تكون العتبه بمساواة ارضيه العربه فيفصل الحركه وتغلق فرمله المحرك لكى تبقى العربه على مستوى الطابق
حساس تحديد الموضع (السليكتور) وحساس الوقوف على مستوى الطابق وحساسى نهايات الاتجاه جميعهم يتم توصيل طرف منهم على طرف مشترك يسمى كمونى البئر او كمونى المغناطيسات فى كارت التحكم والطرف الباقى من كل واحد يتم توصيله على منفذ خاص به فى الكارت
وظيفه اناره وتهويه عربه المصعد
وتتم عن طريق ريليه يتصل بكارت التحكم بحيث يتحكم الكارت فى شد هذا الريليه عند شروط معينه مثل عند فتح الباب او الضغط على زر طلب او تحويل الى وضع الصيانه او فتح احد دوائر الامان الى ان يزول السبب او يتوقف المصعد ويتم فصل الريليه بعد زمن معين يتم ضبطه فى البرمجه لذا يسمى بريليه التايمر ويتم توصيل طرف الانارة والتهويه الى العربه بعد مروره على نقطه مفتوحه فى هذا الريليه وبذلك يتم التحكم فى انارة وتهويه العربه بشكل تلقائى مع ضرورة وجود مفاتيح داخل العربه للفصل عند رغبتنا فى هذا
نظام الصيانه
مجموعه من الازرار والضواغط تستعمل للتحويل من الوضع العادى الى وضع يتيح لفنى الصيانه فقط التحكم فى المصعد بدون تدخل المستخدمين فعند تحويل المفتاح الموجود اعلى العربه او فى غرفه التحكم الى وضع الصيانه يتم الغاء تسجيل الطلبات من على الابواب الخارجيه وكذلك من العربه وتبقى حركه العربه مرهونه فقط بضغط زر الصعود او الهبوط الخاص باعمال الصيانه فقط كما تحتوى مجموعه الازرار على ضاغط للايقاف الاجبارى
يتم توصيل المفتاح وزر الصعود وزر الهبوط بمشترك البئر او ما يسمى بكمون المغناطيسات ويوجد منفذ فى الكارت لكل زر على حده وكذلك يوجد منفذ خاص بالمفتاح المستخدم فى التحويل الى وضعيه الصيانه على الكارت ايضا اما ضاغط الايقاف الاجبارى فيتم توصيله مع دوائر الامان
نظام الطوارئ
هو بعض الاجهزة التى تستخدم فى حال قطع التيار او تعطل المصعد بين طابقين مثلا ربما يكون نظام كامل يسمح بتحريك العربه الى اقرب طابق وهذا سنتناوله فى موضوع اخر وقد يكون نظام جزئى يشتمل على اداه تطلق صوت انزار (سرينه) مع ضرورة توافر جهد التغذيه لها حال انقطاع التيار عن طريق بطاريه قابله للشحن والتفريغ ويتوافر معها دائرة الشحن الخاصه بها فيما يعرف بدائرة الشاحن والسارينه حيث يتم توصيل طرفى الارضى وال 220 فولت الى دخل الشاحن ويتم توصيل السارينه على مخرج مخصوص بها على مخارج الشاحن مع ضرورة وجود زر خاص باطلاق السرينه من داخل العربه لاستخدامه فى حاله تعلق شخص داخل المصعد
كما يستخدم ايضا وسيله اتصال بهاتف ثابت يسمى تكتافون من داخل العربه الى مدخل المبنى او غرفه الحارس او موظفى الاستقبال او غرفه التحكم على حسب الظروف يستخدم كوسيله اتصال ايضا بين الشخص العالق بالمصعد وشخص اخر موجود خارج العربه
وبعد هذا العرض نكون وضحنا بشكل مبسط الوظائف الاساسيه للتحكم فى المصعد كمدخل لفهم لوحه التحكم الرئيسيه والتى سنتناولها ان شاء الله فى موضوعنا التالى بالاضافه الى محتويات غرفه المحرك والله المستعان.


